Пневматичні балансири. Weight Balancer
Пневматичні балансири є важливими інструментами, що використовуються в різних галузях промисловості для полегшення ручної праці і підвищення продуктивності. Вони працюють за принципом використання стисненого повітря для підтримки і переміщення вантажів, що дозволяє зменшити фізичне навантаження на операторів та забезпечити точне позиціювання важких об’єктів.



Принцип роботи
Пневматичні балансири використовують стиснене повітря для створення підйомної сили. Основні компоненти включають:
- Пневмоциліндр: забезпечує підйомну силу.
- Ручка управління: дозволяє оператору керувати рухом балансира.
- Регулятори і клапани: контролюють потік стисненого повітря і тиск.
- Трос або ланцюг: служить для підйому та утримання вантажу.
Принцип роботи базується на зміні тиску повітря в циліндрі, що дозволяє підіймати або опускати вантажі з мінімальним зусиллям з боку оператора.
Weight Balancer

Weight Lifter

Сфери використання
Пневматичні балансири широко використовуються в різних галузях промисловості, зокрема:
- Автомобілебудування: для монтажу деталей і агрегатів, що мають значну вагу.
- Електроніка: для точного позиціювання компонентів на виробничих лініях.
- Металообробка: при монтажі та обслуговуванні важкого обладнання.
- Складське господарство: для переміщення вантажів на складі.
- Харчова промисловість: для обробки і переміщення продуктів харчування, що потребують обережного поводження.
Переваги
Пневматичні балансири мають низку переваг, які роблять їх незамінними в багатьох сферах:
- Зменшення фізичного навантаження: дозволяють оператору піднімати важкі об’єкти з мінімальними зусиллями.
- Підвищення безпеки: знижують ризик травм, пов’язаних з ручним підйомом важких вантажів.
- Покращення точності: забезпечують точне позиціювання вантажів завдяки чутливому управлінню.
- Підвищення продуктивності: зменшують час, необхідний для переміщення і установки важких об’єктів.
- Ергономічність: забезпечують комфортну роботу операторів, знижуючи втому і підвищуючи ефективність праці.
Завдання, які можна виконувати
Пневматичні балансири можуть виконувати різні завдання, включаючи:
- Монтаж і демонтаж деталей: зокрема в автомобільній та авіаційній промисловості.
- Переміщення вантажів: у складському господарстві та на виробничих лініях.
- Точне позиціювання: для роботи з делікатними або дрібними компонентами в електроніці.
- Обслуговування обладнання: наприклад, у важкій промисловості для заміни компонентів.
- Обробка матеріалів: у харчовій промисловості або під час роботи з небезпечними речовинами.
Як приклад використання
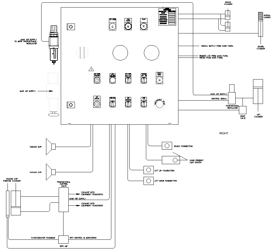
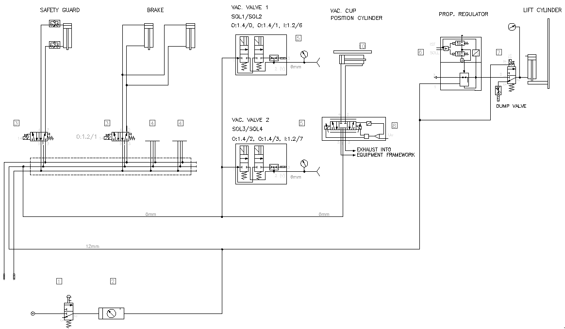
Замовником поставлена задача:
ПЕРЕНОСИТИ ВАНТАЖ ВАГОЮ 250-300 грн з точки А в точку Б. Дистанція 5 метрів
Наша компманія Інжинірінгова Компанія ПНЕВМОСІСТЕМЗ розробила та запропонувала варіанти рішення використовуючи стисне повітря.
Завдяки простому та доволі бюджетному рішенню компанія замовник вирішила ряд своїх задач, в технологічних процесах складання, ремонту та завдань промислового виробництва в багатьох галузях, включаючи виробництво та автомобілебудування. Можливості «нульової гравітації» або «плаваючі» можливості досягаються завдяки точності налаштування високих регуляторів для плавного та природного вигляду. Ці параметри допомагають, коли важко виявити об’єкт. Гальмівна система включає стандартне внутрішнє відцентрове відмовне управління, щоб забезпечити негайне і повне припинення у разі раптової втрати навантаження кабелю/ланцюга.

Пневматичні балансири є ефективними та надійними інструментами, що значно покращують умови праці та продуктивність в різних галузях промисловості. Вони не тільки знижують фізичне навантаження на операторів, але й підвищують точність і безпеку виконуваних операцій, що робить їх незамінними в сучасному виробничому середовищі.
Подібні зачаді МИ можемо вирішувати і для Ваших потреб. Звертайтесь до нас за консультацією та прорахунком.

